Z-NANO SERIES - TOOL SETTING PROBES

Haftaiçi 08:00 - 19:00

CNC işleme merkezlerinde takım kırılma tespiti ve takım uzunluğu ölçümü için ekonomik çözümler. Doğrusal bir çalışma prensibine ve optoelektronik anahtar sinyali üretimine dayanan modern bir ölçüm mekanizması kullanarak en olumsuz üretim koşullarında rakipsiz hız ve hassasiyet ölçümleri.
Aşınmasız, Optoelektronik Sinyal Üretimi

Doğrusal Çalışma Prensibini Kullanan Yüksek Hassasiyetli, Modern Ölçüm Mekanizması

Güvenilir ve Kanıtlanmış İletim Teknolojileri

UYGULAMALAR
BLUM'un takım ölçüm probları, CNC işleme merkezlerindeki çok çeşitli ölçüm ve izleme görevleri için kullanılabilir.
Takım Kırılma Tespiti
Matkaplar, frezeler, gravür aletleri, musluklar ve raybalar gibi merkezli takımların temassız kırılma tespiti.
Takım Uzunluğu Ölçümü
Hızlı ve hassas uzunluk ölçümü ile otomatik ayar ve aşınma izleme.
Aşınma Tazminatı
İşleme adımları arasındaki ölçümleri kullanarak takım aşınmasının telafisi. Aşınma değeri, takım ofseti belleğinde ek bir düzeltme değeri olarak saklanır.
Sıcaklık Telafisi
İşleme merkezlerinin sıcaklığa bağlı ısı davranışlarının telafisi.
Soğutma Sıvısı Yükü
Modern ölçüm mekanizması ve sağlam tasarımı sayesinde soğutma sıvısında güvenilir ve hızlı ölçümler.
Seri Üretim
En zorlu koşullar altında seri üretime uygundur.
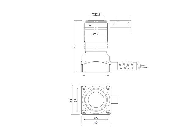
Takım Ölçme Probu Z-Nano

Kablo bağlantılı takım ayar probu
Takım Ölçme Probu Z-Nano IR

Kızılötesi iletimli takım ayar probu
Takım Ölçme Probu Z-Nano RC

BRC telsiz iletimli takım ayar probu
Ek Ürün Özellikleri
Alıcı Sistemleri

BLUM ölçüm sistemleri ile takım tezgahı arasında kablosuz veri iletimi için en son iletim teknolojilerini içeren kompakt alıcı sistemleri kullanılır.
BLUM Ölçüm Çevrimleri

Ölçüm çevrimleri, makine kontrolünün kullanıcı dostu alt yordamlarıdır. Frezeleme ve tornalama makinelerinde aşağıdaki ölçüm görevleri için kullanılabilirler
Ölçüm döngüleri birçok geleneksel kontrol için mevcuttur. Yerel BLUM temsilciniz, kontrolünüzün özellikleri hakkında sizi memnuniyetle bilgilendirecektir.
Alet Temizliği İçin Üfleme Nozulları

BLUM'un isteğe bağlı üfleme nozulları aleti ve herhangi bir soğutucu ve talaşın ölçüm yüzeyini etkili bir şekilde temizler.
UYGULAMALAR VİDEO-RESİM
Basit takım kırılması algılamasına ek olarak, takım ayarı probları takım uzunluğunu ayarlamak için de kullanılır.
Z-Nano RC takım ölçme probu ile tornalama merkezinde takım kırılma tespiti ve uzunluk ölçümü
BLUM'un Z-Nano takım ölçme probunu kullanarak hızlı takım kırılması tespiti